
Contact Rating: 5A@125 VAC OR 28 VDC; 0.4VA max@ 20VAC or DC max.
Electrical LifeL 50,000 cycles
Contact Resistance: 10mΩ max.
Insulation Resistance: 1,000MΩ min.
Dielectric Strength: 1,500V RMS @sea level

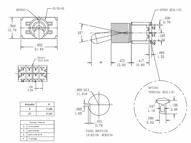
介紹:
鈕子開關,搖頭開關T80-T系列,有SPDT、DPDT、3PDT、4PDT等功能,有直腳和90度彎腳,各種端子種類跟長度,各種手柄,提拉自鎖式手柄以及各種固定方式,我們產品擁有UL、ENEC并符合ROHS規范。

